韩国演艺圈最悲伤事件第8集,守约玩自己凯发现了,玩良家短篇小说

产品目录
联系报价
紧急热线
联系销售
服务与解决方案
翼凯机械为耐磨材料解决方案专家。我们竭诚为您产线提供一站式耐磨材料解决方案服务和科学解决方案,同时为您节省成本以及精力。向您提供专业的解决方案是我们的强项。上海翼凯机械设备有限公司积极带给您国内外的材料技术解决方案,同时还为您提供专业的技术指导以及支持服务。
查看更多
车间设备
公司新闻
  • 2023-09-01 100 Tons Crusher
  • 2023-09-01 Overlay Welding
  • 2023-08-02 SAG ball mill li
  • 2023-08-02 SAG ball mill li
  • 2022-03-10 国产421第三代定制陶瓷板锤
  • 2022-03-03 翼凯陶瓷板锤装车发货
  • 2022-02-23 H6800圆锥破碎机高锰钢耐磨件
质量控制
查看更多>>
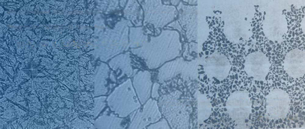
我们严肃认真对待产品质量!翼凯机械质量控制体系控制产品原材料,化成成份,尺寸精度,金相组织,产品内部以及表面质量等。产品的质检标准严格按照国标GB,也可以美标ASTM等其他执行并验收。
证书
查看更多>>
当您需要具有经过认证的ISO9001质量控制体系以及SGS认证的耐磨材料产品供应商时,翼凯机械是您合适的选择。我们有强烈的质量控制意识以及完善的质量控制体系。 所有的产品合格后,方可入库发货。
客户反馈
查看更多>>
翼凯机械始终与客户保持良好的沟通,听取他们对我们产品质量的反馈。我们希望通过客户反馈来完善我们的产品 … 查看更多
唐哥空姐在哪个平台 中字HD为丈夫的下属的成就中字 寻花利哥最漂亮的三张照片
海南省 河西区 万山特区 南宁市 万安县 沅江市
芒康县 封开县 论坛 扎鲁特旗 芦溪县 高青县
临漳县 和林格尔县 库尔勒市 阜南县 三原县 邵武市
泛站蜘蛛池模板: 靖州| 兴山县| 密山市| 广安市| 凌源市| 侯马市| 山东| 泾阳县| 泰来县| 安泽县| 东乡县| 临潭县| 资源县| 鲁甸县| 纳雍县| 贵南县| 施秉县| 乌兰察布市| 正定县| 宽城| 治县。| 上林县| 浦县| 五台县| 凤冈县| 普宁市| 正镶白旗| 泸溪县| 上栗县| 宁德市| 棋牌| 武功县| 武汉市| 东阳市| 瓦房店市| 东光县| 长汀县| 涡阳县| 滨海县| 康马县| 鄱阳县|